

|
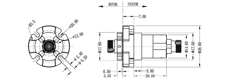
Specification for FORJ |
|
|
Wavelength range |
650-1650 nm |
|
Insertion loss |
<2dB (typical: <0.5 dB) |
|
Return loss |
>40dB (typical:45 dB,2323 C), >50 dB (MJXA) |
|
Maximum speed. |
2000 rpm |
|
Pressure compensation |
1,000 psi (model RPC for higher pressure) |
|
Pulling strength |
10 N (900 um buffer) |
|
Estimated life cycle |
200-400 million revolutions |
|
Optical power handlin |
23 dBm |
|
Working temperature |
-40 to 80 C |
|
Storage temperature |
-50 to 85 C |
|
Start up torque |
<0.1 Nm |
|
Package style |
Pigtail or receptacles (FC, FC/APC, or ST) |
|
Fiber types |
Single or multimode w/3 mm jacke |
|
Connector types |
FC, SC, ST, SMA, or LC (and APC finishes) |
|
Housing material |
Stainless steel |
|
Weight |
~50 g |
|
IP rating |
IP 68 for all models |
|
Environment |
|
|
Mechanical vibration |
MIL-SID-810E |
|
HumidityHumidity Humidity |
10% to 90% RH non-condensing10% to 90% RH non-condensing |
|
Materials Materials |
Lead Free, RoHS compliant |
|
CE CertifiedCE Certified |
YESYES |
|
The life of slip ring depend on the operation speed , temperature ,environment |
|
|
Options |
|
|
A variety of fiber size and length of the jumpers |
|
|
Optical fiber type: single channel, single mode, multimode multi pass through |
|
|
Fiber optic connectors: FC, PC, ST or direct rejection pigtail |
|
|
Fiber length: more customer requirements |
|
|
Number of optical channels: single, double, multiple |
|



?Compact miniature design , small size fit for harsh space
?Moudel design ; Meet the most requirement
?Can combine signal and power in same slip ring
?Combine slip ring and FORJ
|
|
|
¤ Typical Application ?Minitary Radar ?Wind and Marine energy ?Aerospace rotor tester ?Medical equipmet ?Precision instrument |

