

|
Electrical Spec. |
Options | ||
|
Rating voltage |
380VAC |
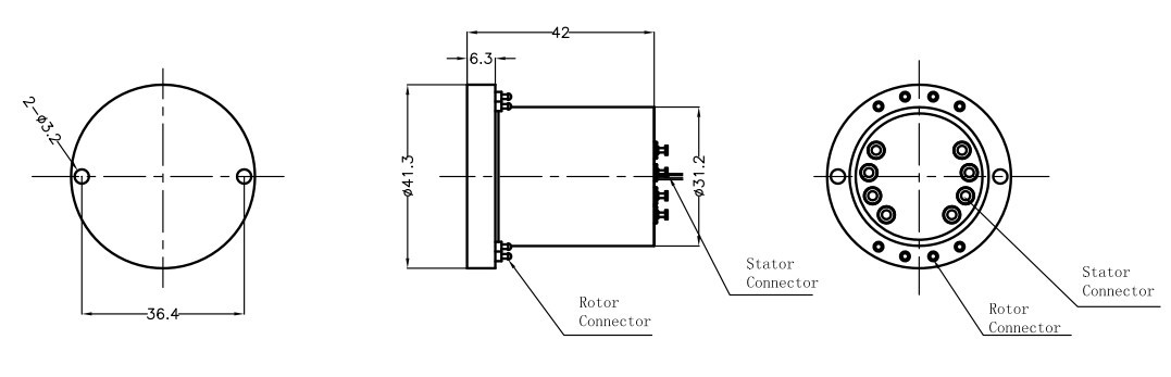
Flanfe for set up |
|
|
Rating current |
5A ,10A,15A…… |
Can combine signal and power in same slip ring |
|
|
Insulation resistance |
1000M@500VDC |
Can combine more circuits:1-36Ring |
|
|
Dielectric strength |
600VDC@50Hz |
higher voltage and current capacity |
|
|
Electrical noise |
70mΩ @6VDC,50mA, 5Rpm |
various radial exits are available |
|
|
Mechanical Spec |
Environment |
||
|
Speed |
1-12000Rpm |
Working temperature |
-40℃~+120℃ |
|
Torque |
10N.cm |
Relative humidity |
10% to 95% RH non-condensing |
|
Seal class |
IP54 (IP68Options) |
Materials |
Lead Free,RoHS compliant |
|
Contact material |
Precious Metal |
CE Certified |
YES |
|
Life |
100million revolutions |
Mechanical vibration |
MIL-SID-810E |

|
¤ Feature ?Compact miniature design , small size fit for harsh space ?Special design for long life ?Can transmit strain gages thermocouples sensor signal ?Stainless stell with sealing for hard environment ?Meet the requirement of industrial field
|
|
|
¤ Typical Application ?Aerospace and Navigation testing ?Electrical test equipment ?Testing table ?Military system
|

