

|
Electrical Spec. |
Options | ||
|
Circuit |
10 |
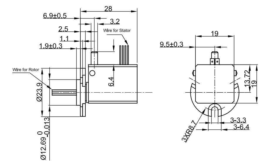
Flanfe for set up |
|
|
Rating voltage |
380VAC |
Can combine signal and power in same slip ring |
|
|
Rating current |
5A ,10A,15A…… |
Can combine more circuits:1-36Ring |
|
|
Insulation resistance |
1000M@500VDC |
higher voltage and current capacity |
|
|
Dielectric strength |
600VDC@50Hz |
various radial exits are available |
|
|
Electrical noise |
70mΩ @6VDC,50mA, 5Rpm |
|
|
|
Mechanical Spec |
Environment |
||
|
Speed |
1-12000Rpm |
Working temperature |
-40℃~+120℃ |
|
Torque |
10N.cm |
Relative humidity |
10% to 95% RH non-condensing |
|
Seal class |
IP54 (IP68Options) |
Materials |
Lead Free,RoHS compliant |
|
Contact material |
Precious Metal |
CE Certified |
YES |
|
Life |
100million revolutions |
Mechanical vibration |
MIL-SID-810E |

|
¤ Feature ?Compact miniature design , small size fit for harsh space ?Special design for long life ?Can transmit strain gages thermocouples sensor signal ?Stainless with sealing for hard environment
|
|
|
¤ Typical Application ?Aerospace Navigation testing ?Eectrical test equipment ?Testing table ?Military system
|

