

|
Electrical Spec. |
Options | |||
|
Circuit |
1月24日 |
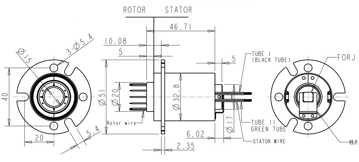
Flange for set up |
||
|
Rating voltage |
240VAC |
The wire exit direction,length is optional |
||
|
Rating current |
2A /Ring,5A,10A by parrelled |
Higher voltage and current capacity |
||
|
Insulation resistance |
1000M@500VDC |
Support for higher speed: 500Rpm |
||
|
Dielectric strength |
600VDC@50Hz |
|
||
|
Mechanical Spec |
Environment |
|||
|
Speed |
300Rpm |
Working temperature |
-40℃~+80℃ |
|
|
Torque |
0.01N.M |
Mechanical vibration |
MIL-SID-810E |
|
|
Seal class |
IP54 |
Humidity |
10% to 90% RH non-condensing |
|
|
Contact material |
Precious Metal:Gold-Gold |
Materials |
Lead Free,RoHS compliant |
|
|
Lead Wire |
12color AWG#28 Teflon wire |
CE Certified |
YES |
|
|
Life |
50million revolutions |
|
|
|
|
1 SDI signal:Specification for RF Rotory Joint |
||||
|
Frequency rate |
DC-2.3GHz |
|||
|
Insertion loss |
0.65 dB /1GHz Max |
|||
|
Insertion loss typical |
+/-0.05dB |
|||
|
Return loss |
-18 dB / 1GHz Max; |
|||
|
Input & output |
RG -179/U |
|||
|
Maximum speed |
50 rpm |
|||
|
voltage standing wave ratio |
VSWR≤1.3 |
|||
|
voltage standing wave ratio typical |
+/-0.05 |
|||
|
Estimated life cycle |
20million revolutions |
|||
|
Working temperature |
-40 to 80 C |
|||
|
Storage temperature |
-50 to 85 C |
|||
|
Connector types |
BNC / F |
|||
|
Impedance |
75 ohms |
|||
|
Rating Current |
DC 1A Max |
|||

|
Feature ?Compact miniature design , small size fit for harsh space ?Moudel design;Meet the most of requirement ?Combine slip ring and RF Joint ?Can combine high speed date HD vedio signal and power in same slip ring ?Meet the requirement of industrial field
|
|
|
¤ Typical Application ?CCTV Monitoring System ?Electrical test equipment ?Robotics |
Installation Guide:
Picture A
1.Position the slip ring in the desired location and tighten both set screws to the shaft.Maximum torque 25Ib-in(DO NOT OVER TORQUE)
2.Route the wiring and make the neccessary connections.Do not allow the wiring to restrict free rotation of the slip ring.Do not constrain wiring such that wire flexing occurs.Doing so will ultimately cause failure(breakage of the wiring).
Picture B
1.Align the mouting holes(M3X8)in the flange to mouting base and install mouting screws(M3),securely tighten screws.
2.Route the wiring and make neccessary connections.Do not allow the wiring to restrict free rotation of the slip ring.
CAUTION:
Because of possible geometric mismatching between the customer's application and the slip ring,'hard mouting'of both ends of the slip ring(i.e.securing the rotor and stator such that there is no floating during operation) is not recommended and may cause premature failure.

